+38 (0562) 35-66-24
Задвижки клиновые 31с77нж, 31нж77нж, 31лс77нж СА 13089
17
Задвижки
https://www.promarmatura.info/en
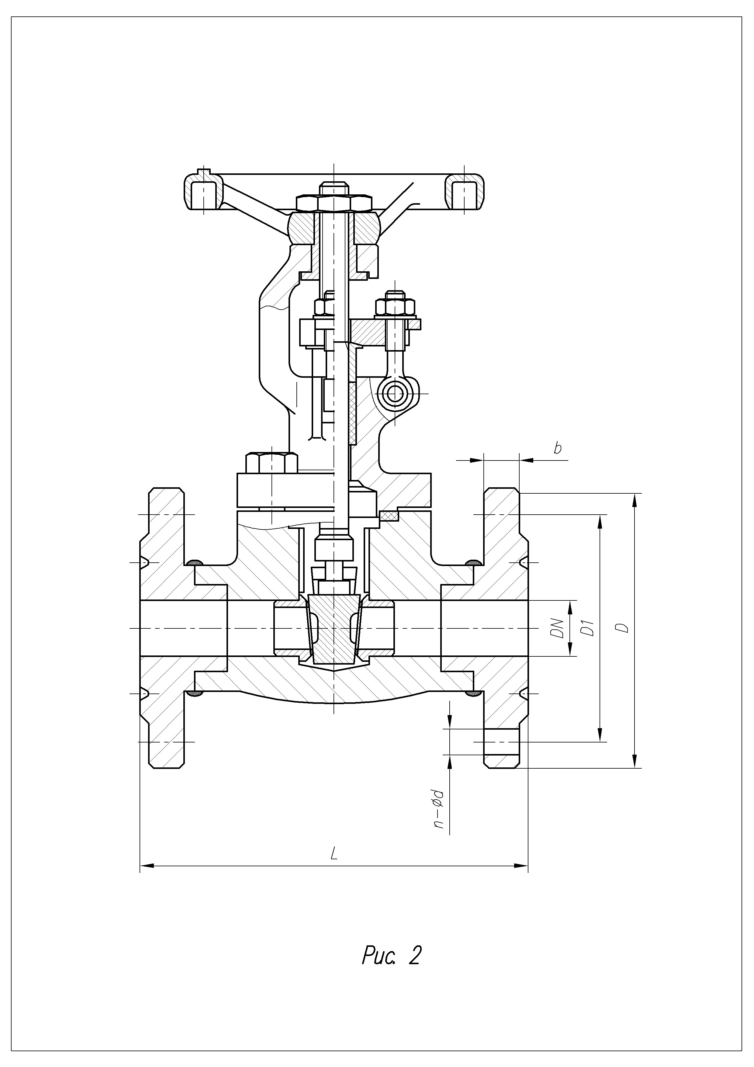
Задвижка клиновая фланцевая 31с77нж, 31нж77нж, 31лс77нж DN 15 - 32 PN 160
АО "Славгородский АЗ"
ТУ У 28.1-14308859-013-2014
Материал корпуса
Сталь 20, 18ХГ, 18ХГТ, 09Г2С, 12Х18Н10Т, 20ХН3А
Температурный диапазон
от -70 °C до 350 °C
Массогабаритные характеристики
DN
L, мм
D, мм
h, мм
H, мм
m, кг
DN, мм
15
L, мм
216
D, мм
105
h, мм
-
H, мм
191
m, г
5,5
DN, мм
20
L, мм
229
D, мм
125
h, мм
-
H, мм
192
m, г
8,6
DN, мм
25
L, мм
254
D, мм
135
h, мм
-
H, мм
219
m, г
12,4
DN, мм
32
L, мм
280
D, мм
150
h, мм
-
H, мм
243
m, г
14,8
Комплектация электроприводами
DN
Тип привода
Мощность, кВт
Масса, кг
Производитель привода
