+38 (0562) 35-66-24
Задвижки клиновые для пульпы 31с38нж П, 31с938нж П МЗ 13166П
17
Задвижки
https://www.promarmatura.info/en
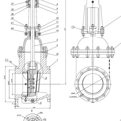
Задвижка клиновая для пульпы 31с38нж, 31с938нж, DN 200-250 PN 16
АО "АРМАПРОМ"
ТУ У 29.1-00218325-012-2001
Массогабаритные характеристики
DN
L, мм
D, мм
h, мм
H, мм
m, кг
DN, мм
200
L, мм
330
D, мм
335
h, мм
-
H, мм
837
m, г
140
DN, мм
250
L, мм
450
D, мм
405
h, мм
-
H, мм
937
m, г
260
Комплектация электроприводами
DN
Тип привода
Мощность, кВт
Масса, кг
Производитель привода
