+38 (0562) 35-66-24
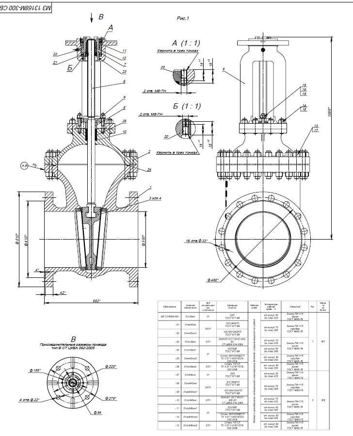
Задвижки клиновые с жестким клином 31с40нж М, 31с940нж М МЗ 13168М-300
17
Задвижки
https://www.promarmatura.info/en
Задвижки клиновые с жестким клином МЗ 13168М 31с40нж М, 31с940нж М
АО "АРМАПРОМ"
ТУ У 29.1-00218325-012-2001
Массогабаритные характеристики
DN
L, мм
D, мм
h, мм
H, мм
m, кг
DN, мм
300
L, мм
502
D, мм
510
h, мм
-
H, мм
1088
m, г
410
Комплектация электроприводами
DN
Тип привода
Мощность, кВт
Масса, кг
Производитель привода
