+38 (0562) 35-66-24
Клапан обратный фланцевый 16с13п, 16нж13бк МЗ 41126
21
Клапаны, затворы обратные
https://www.promarmatura.info/en
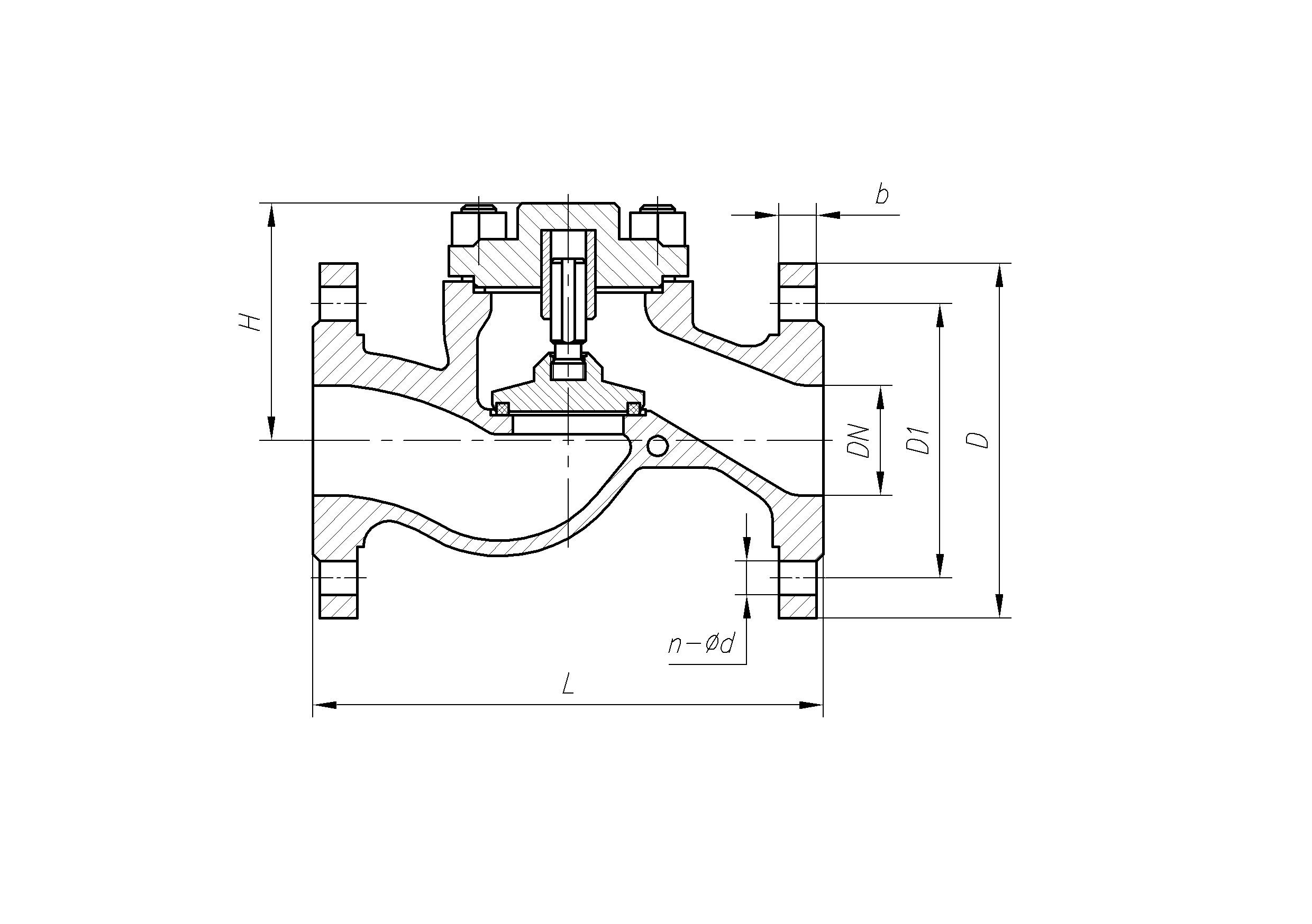
Клапан обратный фланцевый МЗ 41126 / 16с13п, 16с13нж, 16нж13п, 16нж13бк, 16лс13п, 16лс13нж DN 32 - 200 PN 40
АО «Армапром»
ТУ 26-07-1361-84
Аналог
16с13п, 16с13нж, 16нж13п, 16нж13бк, 16лс13п, 16лс13нж
Материал корпуса
Сталь 20Л, 25Л, 15ГСЛ, 20ХН3Л, 12Х18Н9ТЛ, 12Х18Н12МЗТЛ
Температурный диапазон
от -70 °C до 560 °C
Массогабаритные характеристики
DN
L, мм
D, мм
h, мм
H, мм
m, кг
DN, мм
32
L, мм
180
D, мм
135
h, мм
-
H, мм
78
m, г
9,8
DN, мм
40
L, мм
200
D, мм
145
h, мм
-
H, мм
82
m, г
10,5
DN, мм
50
L, мм
230
D, мм
160
h, мм
-
H, мм
102
m, г
12
DN, мм
65
L, мм
290
D, мм
180
h, мм
-
H, мм
154
m, г
19
DN, мм
80
L, мм
310
D, мм
195
h, мм
-
H, мм
127
m, г
27,3
DN, мм
100
L, мм
350
D, мм
230
h, мм
-
H, мм
154
m, г
37,1
DN, мм
125
L, мм
400
D, мм
270
h, мм
-
H, мм
170
m, г
53
DN, мм
150
L, мм
480
D, мм
300
h, мм
-
H, мм
193
m, г
82,7
DN, мм
200
L, мм
600
D, мм
375
h, мм
-
H, мм
230
m, г
160
Комплектация электроприводами
DN
Тип привода
Мощность, кВт
Масса, кг
Производитель привода
