+38 (0562) 35-66-24
Клапан запорный сальниковый с обратным звтвором УФ 21018
20
Клапаны запорные
https://www.promarmatura.info/en
Клапан запорный сальниковый с обратным звтвором 15с18п, 15с18нж, 15лс18п, 15лс18нж, 15нж18п, 15нж18бк DN 32-200
АО « Армапром »
ТУ У 3.22 00218325-004-94
Аналог
15с18п, 15с18нж, 15лс18п, 15лс18нж, 15нж18п, 15нж18бк
Материал корпуса
Сталь 25Л, 20Л, 12Х18Н13МЗТЛ, 12Х18Н9ТЛ, 15ГСЛ
Температурный диапазон
от -60 °C до 420 °C
Массогабаритные характеристики
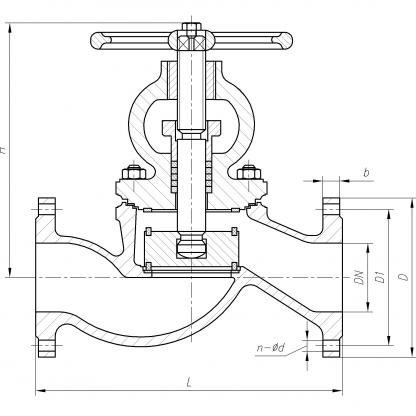
DN
L, мм
D, мм
h, мм
H, мм
m, кг
DN, мм
32
L, мм
180
D, мм
135
h, мм
-
H, мм
250
m, г
11,2
DN, мм
40
L, мм
200
D, мм
145
h, мм
-
H, мм
258
m, г
14,2
DN, мм
50
L, мм
230
D, мм
160
h, мм
-
H, мм
265
m, г
18,8
DN, мм
65
L, мм
290
D, мм
180
h, мм
-
H, мм
291
m, г
35
DN, мм
80
L, мм
310
D, мм
195
h, мм
-
H, мм
248
m, г
41,8
DN, мм
100
L, мм
350
D, мм
230
h, мм
-
H, мм
375
m, г
57,4
DN, мм
125
L, мм
400
D, мм
270
h, мм
-
H, мм
414
m, г
75
DN, мм
150
L, мм
480
D, мм
300
h, мм
-
H, мм
483
m, г
124
DN, мм
200
L, мм
600
D, мм
375
h, мм
-
H, мм
613
m, г
200
Комплектация электроприводами
DN
Тип привода
Мощность, кВт
Масса, кг
Производитель привода
