+38 (0562) 35-66-24
Затвор обратный / КОП МЗ 44091
21
Клапаны, затворы обратные
https://www.promarmatura.info/en
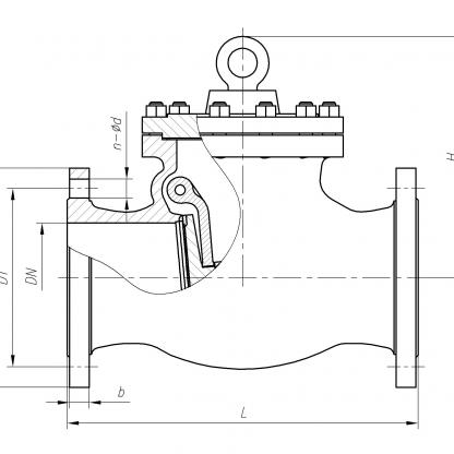
Затвор обратный МЗ 44091 DN 50 - 200 PN 25
АО «Армапром»
ТУ 26-07-1361-84
Материал корпуса
Сталь 20Л, 25Л, 15ГСЛ, 20ХН3Л, 12Х18Н9ТЛ, 12Х18Н12МЗТЛ
Температурный диапазон
от -70 °C до 560 °C
Массогабаритные характеристики
DN
L, мм
D, мм
h, мм
H, мм
m, кг
DN, мм
50
L, мм
230
D, мм
160
h, мм
-
H, мм
137
m, г
14 (12)
DN, мм
80
L, мм
310
D, мм
195
h, мм
-
H, мм
213
m, г
30 (23)
DN, мм
100
L, мм
350
D, мм
230
h, мм
-
H, мм
246
m, г
45 (38)
DN, мм
150
L, мм
480
D, мм
300
h, мм
-
H, мм
330
m, г
90 (76)
DN, мм
200
L, мм
550
D, мм
360
h, мм
-
H, мм
404
m, г
160 (135)
Комплектация электроприводами
DN
Тип привода
Мощность, кВт
Масса, кг
Производитель привода
