+38 (0562) 35-66-24
Клапаны отсечные с эл/магнитом прямого действия 22с840п, 22с840нж, 22нж840п, 22нж840нж МЗ 96851
22
Клапаны отсечные
https://www.promarmatura.info/en
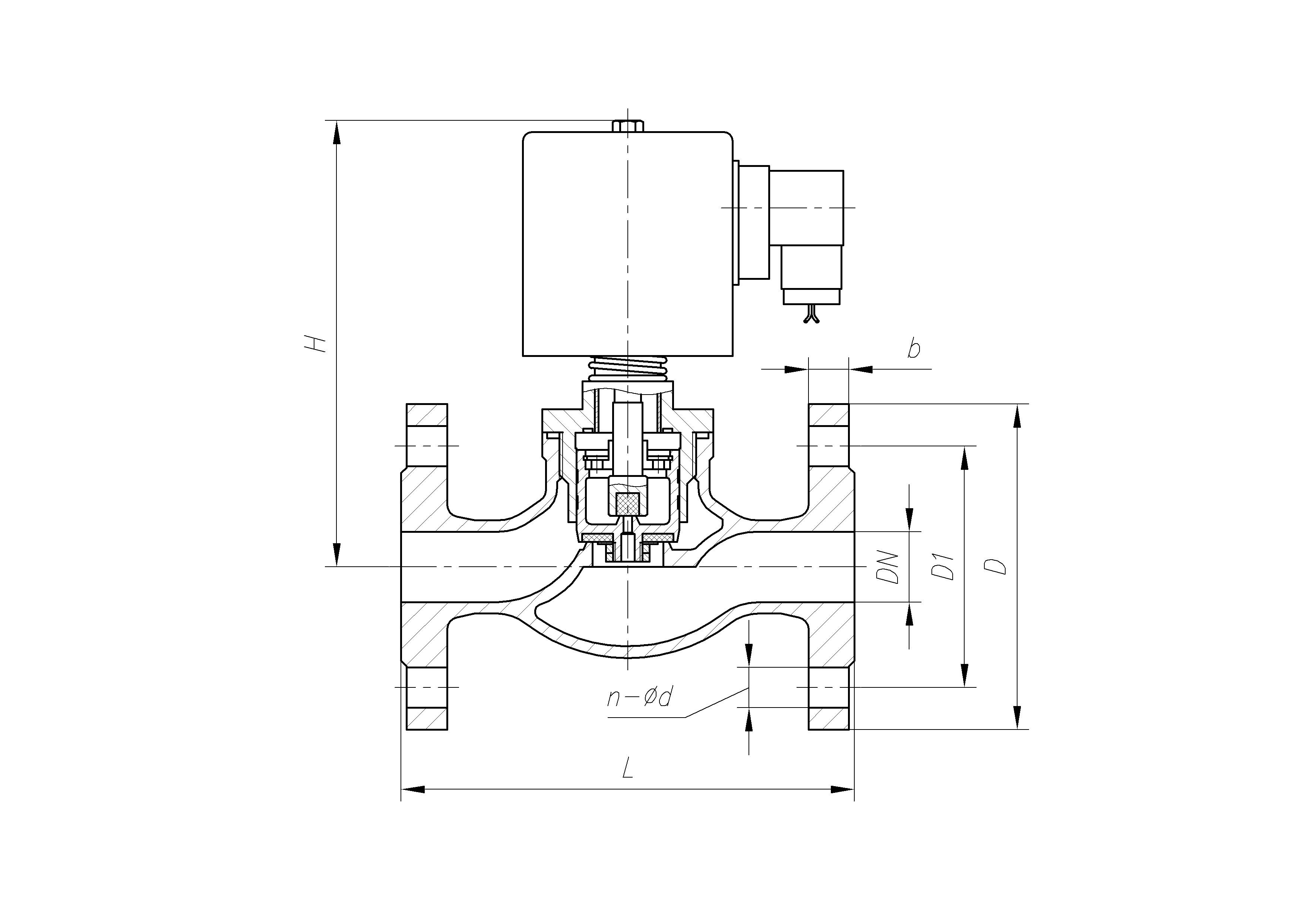
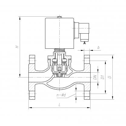
Клапан отсечной с электромагнитным приводом прямого действия МЗ 96851 / 22с840п, 22с840нж, 22нж840п, 22нж840нж DN 10 - 40 PN 16
АО «Армапром»
ТУ У 29.1-00218325-076-2003
Аналог
22с840п, 22с840нж, 22нж840п, 22нж840нж
Материал корпуса
Сталь 20Л, 25Л, 12Х18Н9Л
Температурный диапазон
от -40 °C до 400 °C
Массогабаритные характеристики
DN
L, мм
D, мм
h, мм
H, мм
m, кг
DN, мм
10
L, мм
130
D, мм
90
h, мм
-
H, мм
153
m, г
5,9
DN, мм
15
L, мм
130
D, мм
95
h, мм
-
H, мм
153
m, г
5,9
DN, мм
20
L, мм
150
D, мм
105
h, мм
-
H, мм
153
m, г
5,9
DN, мм
25
L, мм
160
D, мм
115
h, мм
-
H, мм
153
m, г
6,9
DN, мм
32
L, мм
180
D, мм
140
h, мм
-
H, мм
176
m, г
9,6
DN, мм
40
L, мм
200
D, мм
150
h, мм
-
H, мм
176
m, г
11,5
Комплектация электроприводами
DN
Тип привода
Мощность, кВт
Масса, кг
Производитель привода
