+38 (0562) 35-66-24
Клапаны отсечные с эл/магнитом пилотного типа 22с840п, 22нж840п МЗ 96851 пилотный
22
Клапаны отсечные
https://www.promarmatura.info/en
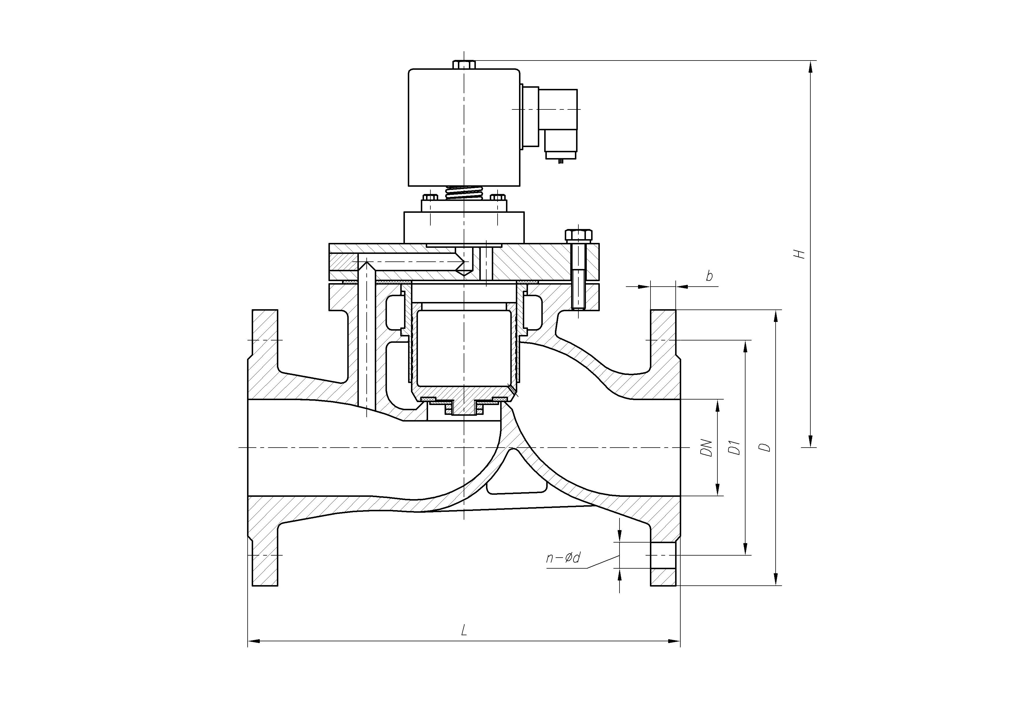
Клапан отсечной с электромагнитным приводом пилотного типа МЗ 96851 / 22с840п, 22с840нж, 22нж840п, 22нж840нж DN 40 - 250 PN 16
АО «Армапром»
ТУ У 29.1-00218325-076-2003
Аналог
22с840п, 22с840нж, 22нж840п, 22нж840нж
Материал корпуса
Сталь 20Л, 25Л, 12Х18Н9Л
Температурный диапазон
от -40 °C до 400 °C
Массогабаритные характеристики
DN
L, мм
D, мм
h, мм
H, мм
m, кг
DN, мм
40
L, мм
200
D, мм
150
h, мм
-
H, мм
220
m, г
17,9
DN, мм
50
L, мм
230
D, мм
165
h, мм
-
H, мм
235
m, г
22,5
DN, мм
65
L, мм
290
D, мм
185
h, мм
-
H, мм
250
m, г
28,8
DN, мм
80
L, мм
310
D, мм
200
h, мм
-
H, мм
260
m, г
37,5
DN, мм
100
L, мм
350
D, мм
220
h, мм
-
H, мм
290
m, г
42,6
DN, мм
125
L, мм
400
D, мм
250
h, мм
-
H, мм
365
m, г
56,8
DN, мм
150
L, мм
480
D, мм
285
h, мм
-
H, мм
400
m, г
83,5
DN, мм
200
L, мм
600
D, мм
340
h, мм
-
H, мм
416
m, г
131,4
DN, мм
250
L, мм
650
D, мм
405
h, мм
-
H, мм
434
m, г
238,8
Комплектация электроприводами
DN
Тип привода
Мощность, кВт
Масса, кг
Производитель привода
