+38 (0562) 35-66-24
Клапаны регулирующие сальниковые 15с29п, 15с29нж, 15нж29бк, 15нж29п, 15лс29п, 15лс29нж МЗ 21010
23
Клапаны регулирующие
https://www.promarmatura.info/en
Клапан регулирующий сальниковый МЗ 21010 / 15с29нж, 15с29п, 15с29бк, 15нж29бк, 15нж29п, 15лс29п, 15лс29нж DN 32-200 PN 16
АО «Армапром»
ТУ У 3.22 00218325-004- 94
Аналог
15с29нж, 15с29п, 15с29бк, 15нж29нж, 15нж29п, 15лс29п, 15лс29нж
Материал корпуса
Сталь 25Л, 20Л, 10Х18Н9Л, 12Х18Н12МЗТЛ, 12Х18Н9ТЛ, 14Х18Н4Г4Л, 10Г2СЛ
Температурный диапазон
от -60 °C до 420 °C
Массогабаритные характеристики
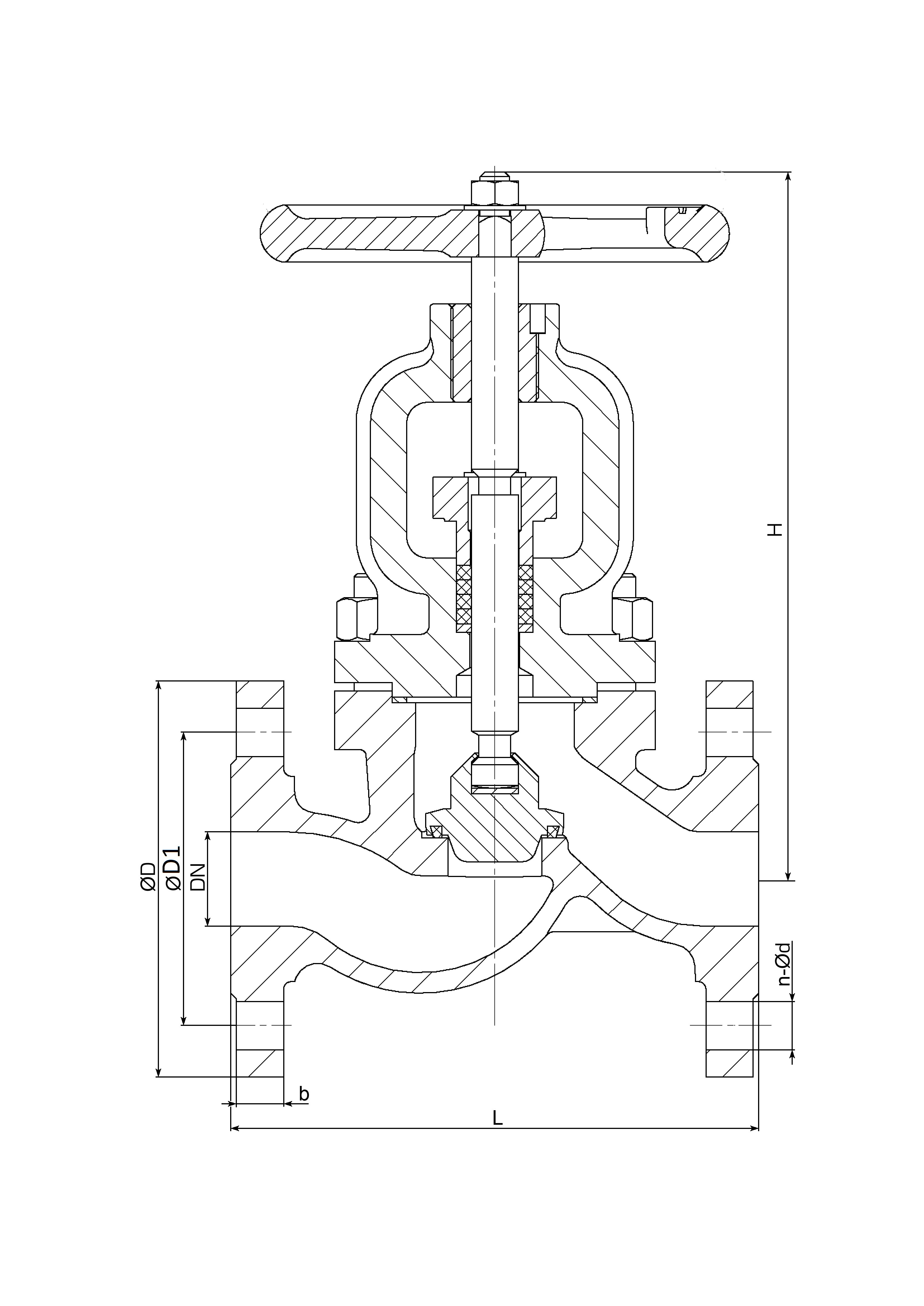
DN
L, мм
D, мм
h, мм
H, мм
m, кг
DN, мм
32
L, мм
180
D, мм
135
h, мм
-
H, мм
248
m, г
12
DN, мм
40
L, мм
200
D, мм
145
h, мм
-
H, мм
258
m, г
12,8
DN, мм
50
L, мм
230
D, мм
160
h, мм
-
H, мм
265
m, г
16
DN, мм
65
L, мм
290
D, мм
180
h, мм
-
H, мм
290
m, г
25
DN, мм
80
L, мм
310
D, мм
195
h, мм
-
H, мм
340
m, г
35,5
DN, мм
100
L, мм
350
D, мм
215
h, мм
-
H, мм
385
m, г
47,4
DN, мм
125
L, мм
400
D, мм
245
h, мм
-
H, мм
404
m, г
70
DN, мм
150
L, мм
480
D, мм
280
h, мм
-
H, мм
508
m, г
99
DN, мм
200
L, мм
600
D, мм
335
h, мм
-
H, мм
615
m, г
190
Комплектация электроприводами
DN
Тип привода
Мощность, кВт
Масса, кг
Производитель привода
