+38 (0562) 35-66-24
Клапаны регулирующие сальниковые 14с99п, 14нж99п СА 27048
23
Клапаны регулирующие
https://www.promarmatura.info/en
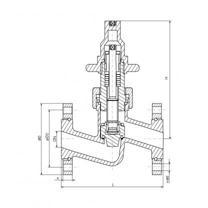
Клапан регулирующий сальниковый СА 27048 / 14с99п, 14нж99п DN 25-40 PN 25
АО "Славгородский АЗ"
ТУ У 14308859.006-2000
Аналог
14с99п, 14нж99п
Материал корпуса
сталь 20, 12Х18Н10Т
Температурный диапазон
от -100 °C до 150 °C
Массогабаритные характеристики
DN
L, мм
D, мм
h, мм
H, мм
m, кг
DN, мм
25
L, мм
16
D, мм
115
h, мм
-
H, мм
196
m, г
5,7
DN, мм
32
L, мм
180
D, мм
135
h, мм
-
H, мм
205
m, г
6,4
DN, мм
40
L, мм
200
D, мм
145
h, мм
-
H, мм
221
m, г
9,4
Комплектация электроприводами
DN
Тип привода
Мощность, кВт
Масса, кг
Производитель привода
