ЗАДАТЬ ВОПРОС
+38 (0562) 35-66-24
e-mail: sales@promarmatura.ua

Затвор обратный / КОП МЗ 44092

21
Клапаны, затворы обратные
https://www.promarmatura.info
Затвор обратный МЗ 44092 DN 50 - 200 PN 40
АО «Армапром»
ТУ 26-07-1361-84
Аналог 
19с53нж, 19лс53нж, 19нж53бк
Материал корпуса 
Сталь 20Л, 25Л, 15ГСЛ, 20ХН3Л, 12Х18Н9ТЛ, 12Х18Н12МЗТЛ
Температурный диапазон 
от -70 °C до 560 °C
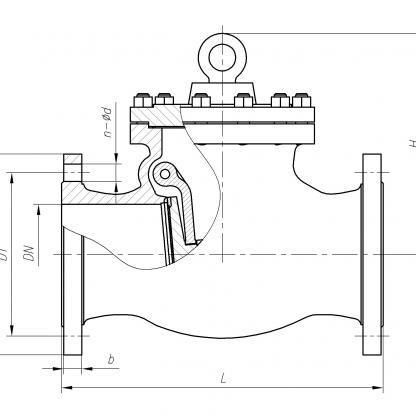
Массогабаритные характеристики
DN
L, мм
D, мм
h, мм
H, мм
m, кг
DN, мм 
50
L, мм 
230
D, мм 
160
h, мм 
-
H, мм 
140
m, г 
14 (12)
DN, мм 
80
L, мм 
310
D, мм 
195
h, мм 
-
H, мм 
213
m, г 
30 (23)
DN, мм 
100
L, мм 
350
D, мм 
230
h, мм 
-
H, мм 
246
m, г 
45 (38)
DN, мм 
150
L, мм 
480
D, мм 
300
h, мм 
-
H, мм 
330
m, г 
90 (76)
DN, мм 
200
L, мм 
550
D, мм 
375
h, мм 
-
H, мм 
404
m, г 
162 (135)
Комплектация электроприводами
DN
Тип привода
Мощность, кВт
Масса, кг
Производитель привода

Вертикальные вкладки

Технические характеристики

Аналог 19с53нж, 19лс53нж, 19нж53бк

Присоединение к трубопроводу — фланцевое с присоединительными размерами по ГОСТ 12815, ГОСТ 33259-2015

                                                 — под приварку
Направление подачи среды — под захлопку (согласно стрелке на корпусе)
Установочное положение – на горизонтальном участке трубопровода - в соответствии с маркировкой "верх" на корпусе; на вертикальном участке трубопровода - уплотнительной поверхностью стакана вверх (направление стрелки на корпусе - вверх)

Тип управления – потоком рабочей среды

Предназначены для установки на трубопроводах в качестве устройств, автоматически предотвращающих обратный поток рабочей среды

Температура рабочей среды:

от минус 40 до плюс 450oC (корпус – сталь 20Л)

от минус 60 до плюс 450oC (корпус – сталь 15ГСЛ)

от минус 70 до плюс 560oC (корпус – сталь 12Х18Н9ТЛ)

Версия для печати Отправить по email