ЗАДАТЬ ВОПРОС
+38 (0562) 35-66-24
e-mail: sales@promarmatura.ua

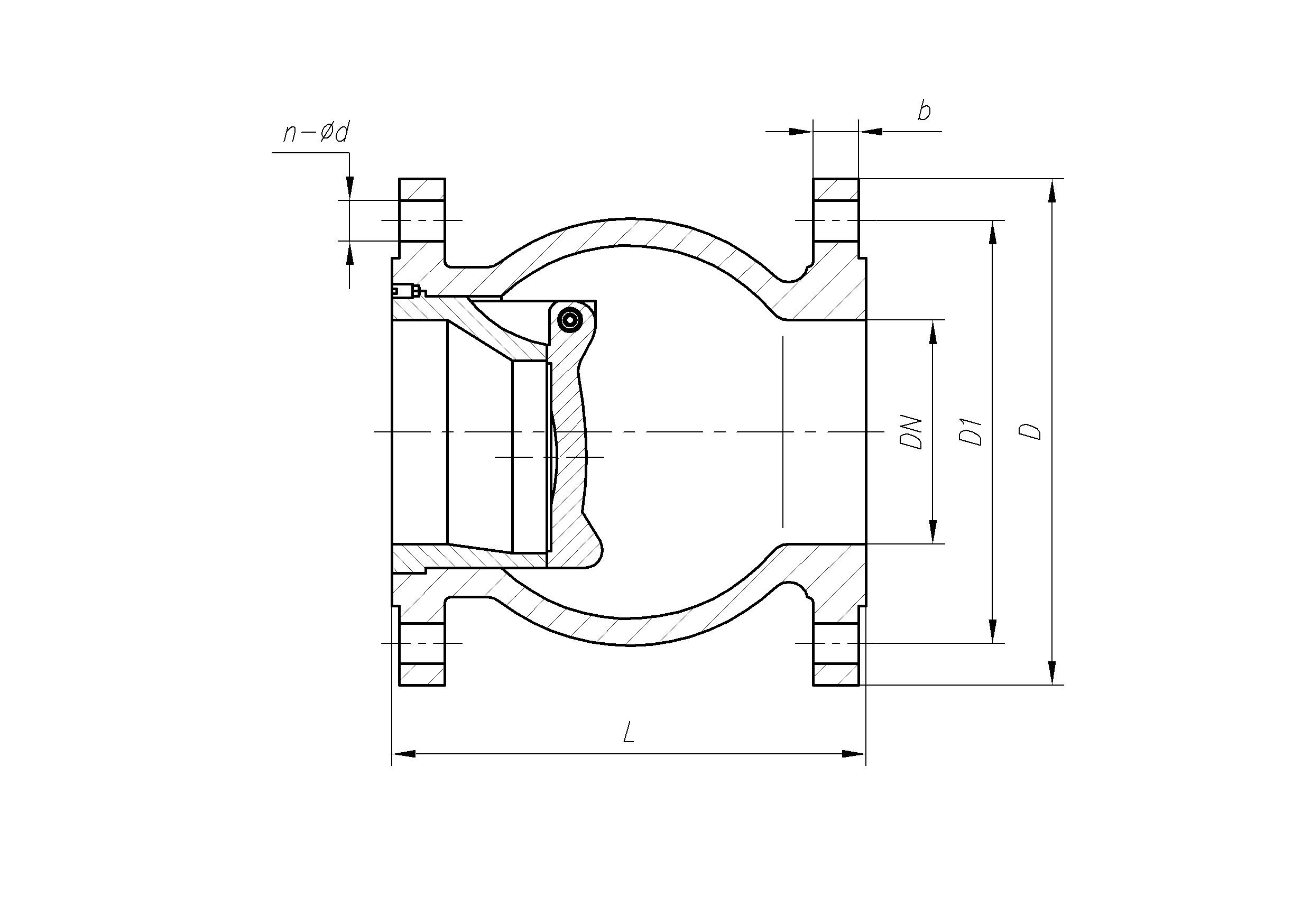
Затвор обратный 19с63нж, 19нж63бк, 19лс63нж МЗ 44126

21
Клапаны, затворы обратные
https://www.promarmatura.info
Затвор обратный МЗ 44126 / 19с63нж, 19нж63бк, 19лс63нж DN 25 - 400 PN 40
АО «Армапром»
ТУ 26-07-1361-84
Материал корпуса 
Сталь 20Л, 25Л, 15ГСЛ, 20ХН3Л, 12Х18Н9ТЛ, 12Х18Н12МЗТЛ
Температурный диапазон 
от -70 °C до 560 °C
Массогабаритные характеристики
DN
L, мм
D, мм
h, мм
H, мм
m, кг
DN, мм 
25
L, мм 
65
D, мм 
115
h, мм 
-
H, мм 
-
m, г 
2,9
DN, мм 
32
L, мм 
78
D, мм 
135
h, мм 
-
H, мм 
-
m, г 
4,1
DN, мм 
40
L, мм 
80
D, мм 
145
h, мм 
-
H, мм 
-
m, г 
4,5
DN, мм 
50
L, мм 
150
D, мм 
160
h, мм 
-
H, мм 
-
m, г 
8
DN, мм 
80
L, мм 
190
D, мм 
195
h, мм 
-
H, мм 
-
m, г 
15
DN, мм 
100
L, мм 
215
D, мм 
230
h, мм 
-
H, мм 
-
m, г 
24
DN, мм 
150
L, мм 
275
D, мм 
300
h, мм 
-
H, мм 
-
m, г 
56
DN, мм 
150
L, мм 
200
D, мм 
-
h, мм 
-
H, мм 
-
m, г 
16
DN, мм 
200
L, мм 
375
D, мм 
375
h, мм 
-
H, мм 
-
m, г 
105
DN, мм 
200
L, мм 
225
D, мм 
-
h, мм 
-
H, мм 
-
m, г 
36
DN, мм 
250
L, мм 
250
D, мм 
-
h, мм 
-
H, мм 
-
m, г 
53
DN, мм 
300
L, мм 
250
D, мм 
-
h, мм 
-
H, мм 
-
m, г 
74
DN, мм 
400
L, мм 
400
D, мм 
-
h, мм 
-
H, мм 
-
m, г 
159
Комплектация электроприводами
DN
Тип привода
Мощность, кВт
Масса, кг
Производитель привода

Вертикальные вкладки

Технические характеристики

Предназначены для установки на трубопроводах в качестве устройств, автоматически предотвращающих обратный поток рабочей среды

Присоединение к трубопроводу - фланцевое по ГОСТ 12815 (DN 25 - 200); ГОСТ 33259-2015

                                                 - под приварку (DN 150, 200 - 400)

Тип управления – потоком рабочей среды

Рабочая среда -  жидкая и газообразная, нейтральная к материалам деталей, контактирующих со средой

Температура рабочей среды, ºС:

 от минус 40 до плюс 450 (корпус – сталь 20Л)

от минус 60 до плюс 450 (корпус – сталь 15ГСЛ)

от минус 70 до плюс 560 (корпус – сталь 12Х18Н9ТЛ)

Направление подачи рабочей среды - под захлопку (согласно стрелке на корпусе)

Установочное положение - на горизонтальном участке трубопровода - в соответствии с маркировкой "верх" на корпусе; на вертикальном участке трубопровода - уплотнительной поверхностью стакана вверх (направление стрелки на корпусе - вверх)

Версия для печати Отправить по email