ЗАДАТЬ ВОПРОС
+38 (0562) 35-66-24
e-mail: sales@promarmatura.ua

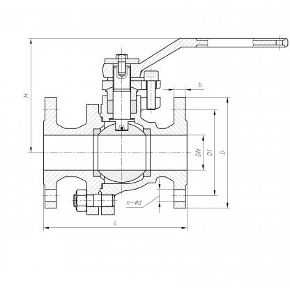
Кран шаровой фланцевый ДП 39001

19
Краны шаровые
https://www.promarmatura.info
Кран шаровой фланцевый ДП 39001 / 11с99фт, 11нж99фт, 11с999фт, 11нж999фт DN 15 - 200 PN 16
АО « Армапром »
ТУ У 29.1-21871578-001-2003
Аналог 
11с99фт, 11нж99фт, 11с999фт, 11нж999фт
Материал корпуса 
Сталь 20Л, 10Х18Н9Л, 12Х18Н9ТЛ, 06ХН28МДТЛ, 03Х17Н13М2Л
Температурный диапазон 
от -60 °C до 150 °C
Массогабаритные характеристики
DN
L, мм
D, мм
h, мм
H, мм
m, кг
DN, мм 
15
L, мм 
130
D, мм 
95
h, мм 
-
H, мм 
79
m, г 
3,2
DN, мм 
20
L, мм 
140
D, мм 
105
h, мм 
-
H, мм 
84
m, г 
3,5
DN, мм 
25
L, мм 
150
D, мм 
115
h, мм 
-
H, мм 
95
m, г 
3,8
DN, мм 
32
L, мм 
165
D, мм 
135
h, мм 
-
H, мм 
103
m, г 
9,5
DN, мм 
40
L, мм 
180
D, мм 
145
h, мм 
-
H, мм 
111
m, г 
9,8
DN, мм 
50
L, мм 
200
D, мм 
160
h, мм 
-
H, мм 
120
m, г 
11,5
DN, мм 
80
L, мм 
250
D, мм 
195
h, мм 
-
H, мм 
163
m, г 
22
DN, мм 
100
L, мм 
280
D, мм 
215
h, мм 
-
H, мм 
182
m, г 
29,5
DN, мм 
150
L, мм 
360
D, мм 
280
h, мм 
-
H, мм 
280
m, г 
83
DN, мм 
200
L, мм 
400
D, мм 
335
h, мм 
-
H, мм 
331
m, г 
116
Комплектация электроприводами
DN
Тип привода
Мощность, кВт
Масса, кг
Производитель привода

Вертикальные вкладки

Технические характеристики

 

Присоединение к трубопроводу — фланцевое с присоединительными размерами по ГОСТ 12815, ГОСТ 33259-2015
Герметичность в затворе - ГОСТ 9544-75; ГОСТ 9544-2015
Направление подачи среды — любое.
Установочное положение – любое

Тип управления – ручное

                            электропривод

Применяется в качестве запорного устройства на трубопроводах, транспортирующих воду, пар, нефтепродукты, природный газ, жидкие и газообразные агрессивные вещества, нейтральные к материалам деталей, соприкасающихся с рабочей средой

Температура рабочей среды* — от минус 60 до плюс 150oС

Версия для печати Отправить по email