ЗАДАТЬ ВОПРОС
+38 (0562) 35-66-24
e-mail: sales@promarmatura.ua

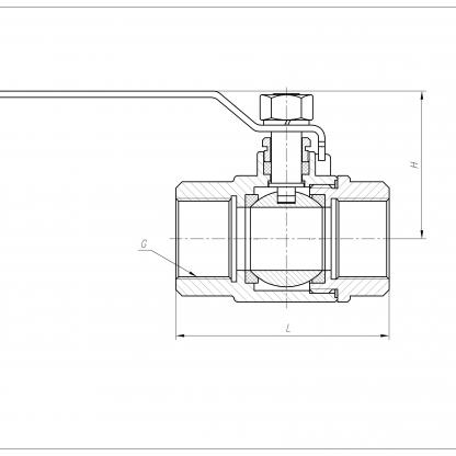
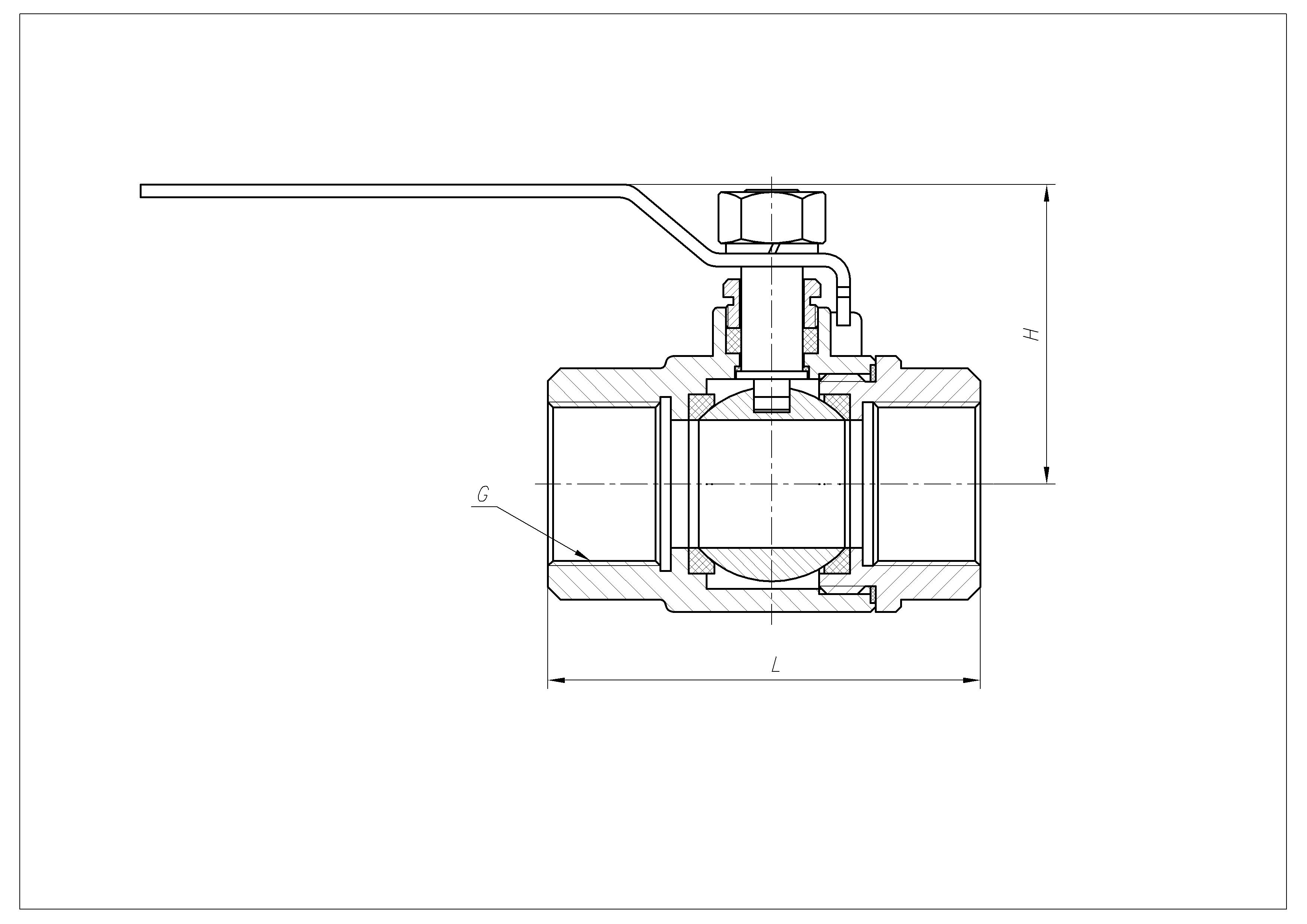
Кран шаровой муфтовый СА 31003

19
Краны шаровые
https://www.promarmatura.info
Кран шаровой муфтовый СА 31003 / 11с03фт, 11нж03фт DN 15 - 50 PN 40
АО "Славгородский АЗ"
ТУ У 28.1-14308859-010:2012
Аналог 
11с03фт, 11нж03фт
Материал корпуса 
Сталь 20, 12Х18Н10Т
Температурный диапазон 
от -40 °C до 160 °C
Массогабаритные характеристики
DN
L, мм
D, мм
h, мм
H, мм
m, кг
DN, мм 
15
L, мм 
65
D, мм 
-
h, мм 
-
H, мм 
46
m, г 
0,38
DN, мм 
20
L, мм 
75
D, мм 
-
h, мм 
-
H, мм 
53
m, г 
0,6
DN, мм 
25
L, мм 
85
D, мм 
-
h, мм 
-
H, мм 
57
m, г 
0,8
DN, мм 
32
L, мм 
100
D, мм 
-
h, мм 
-
H, мм 
68
m, г 
1,5
DN, мм 
40
L, мм 
105
D, мм 
-
h, мм 
-
H, мм 
79
m, г 
1,85
DN, мм 
50
L, мм 
120
D, мм 
-
h, мм 
-
H, мм 
88
m, г 
2,8
Комплектация электроприводами
DN
Тип привода
Мощность, кВт
Масса, кг
Производитель привода

Вертикальные вкладки

Технические характеристики

Присоединение к трубопроводу — муфтовое
Герметичность в затворе - ГОСТ 9544-75; ГОСТ 9544-2015
Направление подачи среды — любое.
Установочное положение – любое

Тип управления – ручное

Применяется в качестве запорного устройства на трубопроводах, транспортирующих воду, пар, нефтепродукты, природный газ, жидкие и газообразные агрессивные вещества, нейтральные к материалам деталей, соприкасающихся с рабочей средой

Температура рабочей среды* — от минус 40 до плюс 160oС

Версия для печати Отправить по email